от производителя
за 2-7 дней
Раздел не найден.
Xenozone — это современный производитель оборудования для бассейнов, который фокусируется на создании высокоэффективных теплообменников. Бренд зарекомендовал себя на рынке благодаря своему инновационному подходу, направленному на оснащение бассейнов надежными и долговечными системами отопления и теплообмена. Продукция Xenozone идеально подходит как для частного использования, так и для коммерческих объектов.
Технологии, используемые компанией, позволяют оптимизировать процессы отопления и поддержания комфортной температуры в воде при минимальных затратах энергии. Brend делает упор на качестве, устойчивости к внешним воздействиям и простоте обслуживания.
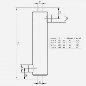
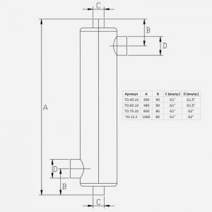
Теплообменники для бассейнов Xenozone имеют ряд характеристик, которые делают их уникальными и конкурентоспособными на рынке:
- Высокая эффективность: Благодаря современным технологиям теплообменники обеспечивают быстрый и эффективный перенос тепла, коэффициент теплопередачи до 4000 Вт/м²К, что позволяет экономить на энергозатратах до 30% и поддерживать оптимальную температуру воды
- Качественные материалы: В производстве используются нержавеющая сталь и высококачественные сплавы, что обеспечивает устойчивость к коррозии и продлевает срок службы оборудования
- Разнообразие моделей: Xenozone предлагает большое количество моделей, которые отличаются по мощности и конфигурации, модели мощностью от 10 до 100 кВт, что позволяет адаптировать оборудование под конкретные условия использования
- Размеры и производительность: Широкий диапазон размеров теплообменников для бассейнов различных объемов, производительность от 100 до 1000 м³/ч
- Простота монтажа и эксплуатации: Большинство моделей имеют интуитивно понятную систему подключения, что позволяет легко интегрировать теплообменники в существующие системы отопления и водообмена
- Поддержка различных режимов работы: Оборудование может работать в разных режимах, с максимальной температурой до 120°C, что позволяет гибко управлять подачей тепла в зависимости от времени года и температуры окружения
- Долговечность: Срок службы теплообменников до 15 лет
Обладая всеми этими характеристиками, теплообменники Xenozone представляют собой надежное и экономичное решение для владельцев бассейнов, стремящихся обеспечить оптимальные условия для комфортного отдыха.
Мы позвоним вам в течение 15 минут