Москва и область: 1-2 рабочих дня
В регионы РФ: от 2 до 7 дней
Самовывоз со склада в Москве: 1-2 рабочих дня
Кожухотрубный конденсатор Ангара Серии ESK.D - это техническое устройство, спроектированное для эффективного теплообмена в различных системах.
Сферы использования:
Этот продукт находит широкое применение в промышленности, в том числе в химической, пищевой и нефтегазовой отраслях. Он используется для конденсации паров и перегретых газов, обеспечивая надежную работу технологических процессов.
Технические характеристики:
- Высокая теплоотдача
- Кожух изготовлен из прочной нержавеющей стали
- Эффективные трубы для теплообмена
- Долгий срок службы
- Простота монтажа и обслуживания
Принцип работы:
Конденсатор функционирует по принципу передачи тепла от горячего пара или газа к охлаждающей среде через стенки труб, обеспечивая конденсацию и переход агрегатного состояния рабочего вещества.
Кожухотрубный конденсатор Ангара ESK.D - это надежное и эффективное устройство, которое обеспечивает высокую производительность и долгий срок службы. Его применение в различных отраслях промышленности гарантирует эффективность технологических процессов и надежность работы оборудования.
|
Бренд
|
Ангара |
|
Модель
|
ESK.D-140-2P с охлаждением морской водой |
|
Длина, мм
|
1 650 |
|
Область применения
|
вода/гликоль, фреон |
|
Производительность, кВт
|
145.8 |
|
Хладагент
|
R22 |
|
Расход воды
|
22,3 |
|
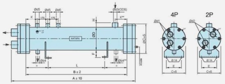
Размер, A
|
1650 мм |
|
Размер, C
|
260 мм |
|
Размер, D
|
220 мм |
|
Размер, B
|
1500 мм |
|
Ду, мм
|
65 |
|
Диаметр корпуса, мм
|
220 |
|
Марка
|
ESK,D |
|
Расход воды (макс.), м3/ч
|
22,3 |
|
Соединения
|
1 1/2", 2 1/2", 42, 35, 1" |
|
Размер, L
|
1000 мм |
|
Размер, H
|
50 мм |
|
Температура воды на входе, °C
|
30 |
|
Температура конденсации, °С
|
42 |
|
Размер, E
|
180 мм |
|
Размер, K
|
100 мм |
|
Размер, F
|
80 мм |
|
Объем воды, дм3
|
12,1 |
|
Объем газа, дм3
|
34,9 |
|
Падение давления, бар
|
38,3 |
|
Степень загрязнения, м2К/W
|
0,000086 |
|
Температура перегрева, °С
|
3 |
|
Масса, кг
|
123 |
|
Рабочая среда
|
вода |
Мы предлагаем высокую оперативность доставки оборудования по Москве, что делает сотрудничество с нами еще более привлекательным. Мы работаем над тем, чтобы обеспечить максимальный комфорт нашим клиентам.
Мы оговариваем условия доставки непосредственно перед заключением сделки, чтобы каждый клиент мог выбрать наиболее удобный вариант для себя. Ваш комфорт - наш приоритет.
Ориентировочная стоимость доставки указана в таблице
|
Масса |
До МКАД |
За МКАД |
За МКАД |
За МКАД |
За МКАД |
|
0-15 кг |
380 руб |
580 руб |
780 руб |
980 руб |
1180 руб |
|
16-35 кг |
580 руб |
780 руб |
980 руб |
1180 руб |
1380 руб |
|
36-100 кг |
780 руб |
980 руб |
1180 руб |
1380 руб |
1580 руб |
|
От 101 кг |
980 руб |
1180 руб |
1380 руб |
1580 руб |
1780 руб |
Оформление заказов в нашем магазине производится при условии предоплаты. Для заказов, предполагающих производство под индивидуальные запросы, возможна частичная предоплата. Первая часть вносится до производства, а вторая перед получением оборудования.
Мы предлагаем безналичный расчет для юридических лиц (ИП или ООО).
Мы подготовим необходимые документы для бухгалтерской отчетности и финансового учета вашего предприятия (договор поставки, сопроводительные документы).
Свяжитесь с нами
от производителя
за 2-7 дней