Москва и область: 1-2 рабочих дня
В регионы РФ: от 2 до 7 дней
Самовывоз со склада в Москве: 1-2 рабочих дня
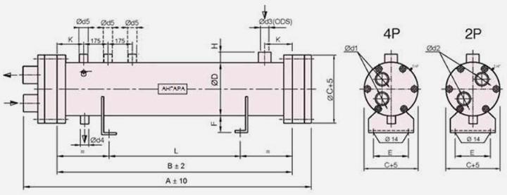
Продукт "Кожухотрубный конденсатор Ангара Серии ESK" представляет собой высокотехнологичное оборудование, спроектированное для эффективного использования в промышленных целях.
Сферы использования:
Этот продукт находит широкое применение в различных отраслях промышленности, включая пищевую, химическую и нефтегазовую промышленность. Кожухотрубный конденсатор обеспечивает эффективное охлаждение и конденсацию паров, что позволяет оптимизировать процессы производства.
Технические характеристики:
- Материал корпуса: нержавеющая сталь
- Тип труб: гладкие, легированные
- Площадь теплообмена: от 5 до 50 кв.м
- Давление: до 10 бар
- Температурный режим: от -50°C до +200°C
Принцип работы:
Конденсатор работает по принципу теплообмена между горячими парообразными веществами внутри труб и охлаждающими жидкостями снаружи. Благодаря оптимальной конструкции и материалам высокого качества достигается эффективное охлаждение и конденсация.
Кожухотрубный конденсатор Ангара ESK - это надежное и производительное оборудование, которое обеспечивает эффективную работу промышленных процессов. Используя передовые технологии и материалы высокого качества, этот продукт гарантирует стабильность и надежность в работе, что делает его отличным выбором для различных отраслей промышленности.
|
Бренд
|
Ангара |
|
Модель
|
ESK-182-2P |
|
Длина, мм
|
1 650 |
|
Область применения
|
вода/гликоль, фреон |
|
Производительность, кВт
|
182.7 |
|
Хладагент
|
R407С |
|
Расход воды
|
25,7 |
|
Размер, A
|
1650 мм |
|
Размер, C
|
260 мм |
|
Размер, D
|
220 мм |
|
Размер, B
|
1500 мм |
|
Ду, мм
|
65 |
|
Диаметр корпуса, мм
|
220 |
|
Марка
|
ESK |
|
Расход воды (макс.), м3/ч
|
25,7 |
|
Соединения
|
2 1/2", 42, 35, 1" |
|
Размер, L
|
1000 мм |
|
Размер, H
|
50 мм |
|
Температура воды на входе, °C
|
30 |
|
Температура конденсации, °С
|
42 |
|
Размер, E
|
180 мм |
|
Размер, K
|
100 мм |
|
Размер, F
|
80 мм |
|
Объем воды, дм3
|
13,7 |
|
Объем газа, дм3
|
32,6 |
|
Падение давления, бар
|
40 |
|
Степень загрязнения, м2К/W
|
0,000043 |
|
Температура перегрева, °С
|
3 |
|
Масса, кг
|
129 |
|
Рабочая среда
|
вода |
Мы предлагаем высокую оперативность доставки оборудования по Москве, что делает сотрудничество с нами еще более привлекательным. Мы работаем над тем, чтобы обеспечить максимальный комфорт нашим клиентам.
Мы оговариваем условия доставки непосредственно перед заключением сделки, чтобы каждый клиент мог выбрать наиболее удобный вариант для себя. Ваш комфорт - наш приоритет.
Ориентировочная стоимость доставки указана в таблице
|
Масса |
До МКАД |
За МКАД |
За МКАД |
За МКАД |
За МКАД |
|
0-15 кг |
380 руб |
580 руб |
780 руб |
980 руб |
1180 руб |
|
16-35 кг |
580 руб |
780 руб |
980 руб |
1180 руб |
1380 руб |
|
36-100 кг |
780 руб |
980 руб |
1180 руб |
1380 руб |
1580 руб |
|
От 101 кг |
980 руб |
1180 руб |
1380 руб |
1580 руб |
1780 руб |
Оформление заказов в нашем магазине производится при условии предоплаты. Для заказов, предполагающих производство под индивидуальные запросы, возможна частичная предоплата. Первая часть вносится до производства, а вторая перед получением оборудования.
Мы предлагаем безналичный расчет для юридических лиц (ИП или ООО).
Мы подготовим необходимые документы для бухгалтерской отчетности и финансового учета вашего предприятия (договор поставки, сопроводительные документы).
Свяжитесь с нами
от производителя
за 2-7 дней