Москва и область: 1-2 рабочих дня
В регионы РФ: от 2 до 7 дней
Самовывоз со склада в Москве: 1-2 рабочих дня
Кожухотрубный испаритель Ангара Серии ECH - это техническое устройство, обеспечивающее эффективное охлаждение рабочей среды в промышленных процессах. Благодаря инновационной конструкции и высоким техническим характеристикам, этот испаритель является надежным помощником в поддержании оптимальной температуры.
Сферы использования:
Кожухотрубные испарители Ангара ECH находят широкое применение в химической, пищевой, фармацевтической промышленности, а также в системах кондиционирования воздуха. Они используются для охлаждения жидкостей, газов и паров, обеспечивая стабильную работу технологических процессов.
Технические характеристики:
- Эффективная площадь теплообмена
- Высокая теплоотдача
- Прочная конструкция из качественных материалов
- Широкий диапазон рабочих температур
- Надежное соединение труб с кожухом
- Простота монтажа и обслуживания
Принцип работы:
Кожухотрубный испаритель Ангара ECH функционирует по принципу теплообмена между потоками рабочей среды, проходящими внутри труб, и охлаждающей среды, циркулирующей снаружи кожуха. Благодаря оптимальной конструкции и материалам испаритель обеспечивает эффективный теплообмен и стабильную работу системы.
Кожухотрубный испаритель Ангара ECH - это надежное и эффективное техническое устройство, которое обеспечивает высокую производительность и долгий срок службы. Благодаря своим техническим характеристикам и простоте в эксплуатации, данный испаритель является отличным выбором для различных отраслей промышленности.
|
Бренд
|
Ангара |
|
Модель
|
ECH-770/2 |
|
Длина, мм
|
2 730 |
|
Область применения
|
вода/гликоль, фреон |
|
Производительность, кВт
|
790.9 |
|
Хладагент
|
R22 |
|
Расход воды
|
136,0 |
|
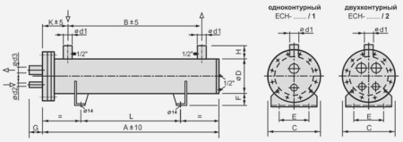
Размер, A
|
2730 мм |
|
Размер, C
|
490 мм |
|
Размер, D
|
406 мм |
|
Размер, B
|
2260 мм |
|
Ду, мм
|
200 |
|
Диаметр корпуса, мм
|
406 |
|
Марка
|
EСH |
|
Расход воды (макс.), м3/ч
|
136,0 |
|
Соединения
|
DN200, -, -, 54, 114 |
|
Размер, L
|
1800 мм |
|
Размер, H
|
200 мм |
|
Температура воды на входе, °C
|
12 |
|
Температура конденсации, °С
|
40 |
|
Размер, E
|
300 мм |
|
Размер, K
|
280 мм |
|
Размер, F
|
120 мм |
|
Температура воды на выходе, °C
|
7 |
|
Объем воды, дм3
|
208,7 |
|
Объем газа, дм3
|
88,6 |
|
Падение давления, бар
|
0,60 |
|
Степень загрязнения, м2К/W
|
0,000043 |
|
Температура перегрева, °С
|
5 |
|
Размер, G
|
100 мм |
|
Количество фреоновых контуров
|
2 |
|
Масса, кг
|
567 |
|
Рабочая среда
|
вода |
Мы предлагаем высокую оперативность доставки оборудования по Москве, что делает сотрудничество с нами еще более привлекательным. Мы работаем над тем, чтобы обеспечить максимальный комфорт нашим клиентам.
Мы оговариваем условия доставки непосредственно перед заключением сделки, чтобы каждый клиент мог выбрать наиболее удобный вариант для себя. Ваш комфорт - наш приоритет.
Ориентировочная стоимость доставки указана в таблице
|
Масса |
До МКАД |
За МКАД |
За МКАД |
За МКАД |
За МКАД |
|
0-15 кг |
380 руб |
580 руб |
780 руб |
980 руб |
1180 руб |
|
16-35 кг |
580 руб |
780 руб |
980 руб |
1180 руб |
1380 руб |
|
36-100 кг |
780 руб |
980 руб |
1180 руб |
1380 руб |
1580 руб |
|
От 101 кг |
980 руб |
1180 руб |
1380 руб |
1580 руб |
1780 руб |
Оформление заказов в нашем магазине производится при условии предоплаты. Для заказов, предполагающих производство под индивидуальные запросы, возможна частичная предоплата. Первая часть вносится до производства, а вторая перед получением оборудования.
Мы предлагаем безналичный расчет для юридических лиц (ИП или ООО).
Мы подготовим необходимые документы для бухгалтерской отчетности и финансового учета вашего предприятия (договор поставки, сопроводительные документы).
Свяжитесь с нами
от производителя
за 2-7 дней